塑料封-YDPS133

产品特点:

·拉紧式锁合方式

·打标面积大,可印制多种标识logo

·低温防断裂及不错的韧性

·PP+PE 材质,内置钢片

产品介绍
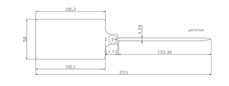
· 结构示意图

· 产品特征

·拉紧式锁合方式

·打标面积大,可印制多种标识logo

·低温防断裂及不错的韧性

·PP+PE 材质,内置钢片

·强度分类≧350N

· 包装运输
· 定制选项

·客户名称、logo、序列编号、条形码(激光打标)

·标准颜色白色、黄色或其它颜色可定制

· 产品应用

·快递袋、食品饮料、推车灭火器引脚、ATM卡带、投票箱、存储箱、箱子和行李、航空货运、旅行包、配件、笔记本电脑包

·航空、快递、化工、银行、消防、餐饮、渔业、零售、电子商务

· 生产细节


留言信息

如果您有感兴趣的产品或者建议请给我们留言,我们将及时反馈